A.I.R. System for 1993 Mercedes-Benz 600 SEC
Vehicle
1993 Mercedes-Benz 600 SEC
Change Vehicle
- Bumper & Components - Front
- Bumper & Components - Rear
- Center Console
- Cowl
- Door
- Door & Components
- Door Trim Panel
- Doors
- Ducts
- Electrical Components
- Exterior Trim - Door
- Exterior Trim - Fender
- Exterior Trim - Hood
- Exterior Trim - Pillars
- Exterior Trim - Quarter Panel
- Fender & Components
- Floor & Rails
- Front Console
- Front Door
- Front Seat Components
- Glass - Door
- Glass - Windshield
- Glass & Hardware
- Glass & Hardware - Back
- Glove Box
- Grille & Components
- Heat & Sound Insulators
- Hinge Pillar
- Hood & Components
- Horns
- Inner Structure
- Instrument Panel
- Instrument Panel Components
- Interior Trim - Pillars
- Interior Trim - Quarter Panels
- Interior Trim - Rear Body
- Interior Trim - Roof
- Labels
- Lid & Components
- Lock & Hardware
- Master Cylinder - Components On Dash Panel
- Outside Mirrors
- Partitions & Seals
- Quarter Panel & Components
- Quarter Window
- RADIATOR SUPPORT
- Rear Body
- Rear Console
- Rear Door
- Rear Floor & Rails
- Reveal Moldings
- Rocker Panel
- Roof & Components
- Sound System
- Structural Components & Rails
- Sunroof
- Tracks & Components
- Trunk
- Trunk Floor
- Trunk Lid & Compartment
- Universal
- Vacuum Controlled Components
- Wiper & Washer Components
- ABS Components
- Air Bag Components
- Air Bag System
- Alternator
- Alternator/Generator & Related Components
- Antenna & Radio
- Anti-Theft Components
- Anti-Theft System
- Battery
- Battery & Related Components
- BULBS - CHASSIS
- Distributor
- Door
- Electrical Components
- Flasher Units, Fuses, & Circuit Breakers
- Flashers
- Fog Lamps
- Front Door
- Front Seat Belts
- Glass, Windows & Related Components
- Headlamp Components
- Headlamp Washers/Wipers
- Heated Seats
- High Mounted Stop Lamp
- Horn
- Ignition Lock
- Ignition System
- License Lamps
- Lighting - Exterior
- Lighting - Interior
- Mirrors
- Park & Side Marker Lamps
- Power Seats
- Powertrain Control
- Rear Door
- Rear Seat Belts
- Ride Control Components
- Senders
- Starter
- Starter & Related Components
- Sunroof
- Switches
- Switches, Solenoids & Actuators
- Tail Lamps
- Trunk
- Voltage Regulator
- Washer Components
- Window Defroster
- Wipers
- A/C Accumulator/Receiver Drier
- A/C Clutch & Compressor
- A/C Condenser & Evaporator
- A/C Flow Restrictors
- Automatic Temperature Controls
- Blower Motor & Fan
- Condenser, Compressor & Lines
- Controls
- Evaporator & Heater Components
- Filters
- Hardware, Fasteners & Fittings
- Heater
- Hoses & Pipes
- Motors, Core, Case & Related Components
- Switches, Solenoids & Actuators
- Temperature Controls & Related Components
- Bumper & Components - Front
- Bumper & Components - Rear
- Center Console
- Cowl
- Door
- Door & Components
- Door Trim Panel
- Doors
- Ducts
- Electrical Components
- Exterior Trim - Door
- Exterior Trim - Fender
- Exterior Trim - Hood
- Exterior Trim - Pillars
- Exterior Trim - Quarter Panel
- Fender & Components
- Floor & Rails
- Front Console
- Front Door
- Front Seat Components
- Glass - Door
- Glass - Windshield
- Glass & Hardware
- Glass & Hardware - Back
- Glove Box
- Grille & Components
- Heat & Sound Insulators
- Hinge Pillar
- Hood & Components
- Horns
- Inner Structure
- Instrument Panel
- Instrument Panel Components
- Interior Trim - Pillars
- Interior Trim - Quarter Panels
- Interior Trim - Rear Body
- Interior Trim - Roof
- Labels
- Lid & Components
- Lock & Hardware
- Master Cylinder - Components On Dash Panel
- Outside Mirrors
- Partitions & Seals
- Quarter Panel & Components
- Quarter Window
- RADIATOR SUPPORT
- Rear Body
- Rear Console
- Rear Door
- Rear Floor & Rails
- Reveal Moldings
- Rocker Panel
- Roof & Components
- Sound System
- Structural Components & Rails
- Sunroof
- Tracks & Components
- Trunk
- Trunk Floor
- Trunk Lid & Compartment
- Universal
- Vacuum Controlled Components
- Wiper & Washer Components
- ABS Components
- Air Bag Components
- Air Bag System
- Alternator
- Alternator/Generator & Related Components
- Antenna & Radio
- Anti-Theft Components
- Anti-Theft System
- Battery
- Battery & Related Components
- BULBS - CHASSIS
- Distributor
- Door
- Electrical Components
- Flasher Units, Fuses, & Circuit Breakers
- Flashers
- Fog Lamps
- Front Door
- Front Seat Belts
- Glass, Windows & Related Components
- Headlamp Components
- Headlamp Washers/Wipers
- Heated Seats
- High Mounted Stop Lamp
- Horn
- Ignition Lock
- Ignition System
- License Lamps
- Lighting - Exterior
- Lighting - Interior
- Mirrors
- Park & Side Marker Lamps
- Power Seats
- Powertrain Control
- Rear Door
- Rear Seat Belts
- Ride Control Components
- Senders
- Starter
- Starter & Related Components
- Sunroof
- Switches
- Switches, Solenoids & Actuators
- Tail Lamps
- Trunk
- Voltage Regulator
- Washer Components
- Window Defroster
- Wipers
- A/C Accumulator/Receiver Drier
- A/C Clutch & Compressor
- A/C Condenser & Evaporator
- A/C Flow Restrictors
- Automatic Temperature Controls
- Blower Motor & Fan
- Condenser, Compressor & Lines
- Controls
- Evaporator & Heater Components
- Filters
- Hardware, Fasteners & Fittings
- Heater
- Hoses & Pipes
- Motors, Core, Case & Related Components
- Switches, Solenoids & Actuators
- Temperature Controls & Related Components
Browse Categories
Select category
- Bumper & Components - Front
- Bumper & Components - Rear
- Center Console
- Cowl
- Door
- Door & Components
- Door Trim Panel
- Doors
- Ducts
- Electrical Components
- Exterior Trim - Door
- Exterior Trim - Fender
- Exterior Trim - Hood
- Exterior Trim - Pillars
- Exterior Trim - Quarter Panel
- Fender & Components
- Floor & Rails
- Front Console
- Front Door
- Front Seat Components
- Glass - Door
- Glass - Windshield
- Glass & Hardware
- Glass & Hardware - Back
- Glove Box
- Grille & Components
- Heat & Sound Insulators
- Hinge Pillar
- Hood & Components
- Horns
- Inner Structure
- Instrument Panel
- Instrument Panel Components
- Interior Trim - Pillars
- Interior Trim - Quarter Panels
- Interior Trim - Rear Body
- Interior Trim - Roof
- Labels
- Lid & Components
- Lock & Hardware
- Master Cylinder - Components On Dash Panel
- Outside Mirrors
- Partitions & Seals
- Quarter Panel & Components
- Quarter Window
- RADIATOR SUPPORT
- Rear Body
- Rear Console
- Rear Door
- Rear Floor & Rails
- Reveal Moldings
- Rocker Panel
- Roof & Components
- Sound System
- Structural Components & Rails
- Sunroof
- Tracks & Components
- Trunk
- Trunk Floor
- Trunk Lid & Compartment
- Universal
- Vacuum Controlled Components
- Wiper & Washer Components
- ABS Components
- Air Bag Components
- Air Bag System
- Alternator
- Alternator/Generator & Related Components
- Antenna & Radio
- Anti-Theft Components
- Anti-Theft System
- Battery
- Battery & Related Components
- BULBS - CHASSIS
- Distributor
- Door
- Electrical Components
- Flasher Units, Fuses, & Circuit Breakers
- Flashers
- Fog Lamps
- Front Door
- Front Seat Belts
- Glass, Windows & Related Components
- Headlamp Components
- Headlamp Washers/Wipers
- Heated Seats
- High Mounted Stop Lamp
- Horn
- Ignition Lock
- Ignition System
- License Lamps
- Lighting - Exterior
- Lighting - Interior
- Mirrors
- Park & Side Marker Lamps
- Power Seats
- Powertrain Control
- Rear Door
- Rear Seat Belts
- Ride Control Components
- Senders
- Starter
- Starter & Related Components
- Sunroof
- Switches
- Switches, Solenoids & Actuators
- Tail Lamps
- Trunk
- Voltage Regulator
- Washer Components
- Window Defroster
- Wipers
- A/C Accumulator/Receiver Drier
- A/C Clutch & Compressor
- A/C Condenser & Evaporator
- A/C Flow Restrictors
- Automatic Temperature Controls
- Blower Motor & Fan
- Condenser, Compressor & Lines
- Controls
- Evaporator & Heater Components
- Filters
- Hardware, Fasteners & Fittings
- Heater
- Hoses & Pipes
- Motors, Core, Case & Related Components
- Switches, Solenoids & Actuators
- Temperature Controls & Related Components
- Bumper & Components - Front
- Bumper & Components - Rear
- Center Console
- Cowl
- Door
- Door & Components
- Door Trim Panel
- Doors
- Ducts
- Electrical Components
- Exterior Trim - Door
- Exterior Trim - Fender
- Exterior Trim - Hood
- Exterior Trim - Pillars
- Exterior Trim - Quarter Panel
- Fender & Components
- Floor & Rails
- Front Console
- Front Door
- Front Seat Components
- Glass - Door
- Glass - Windshield
- Glass & Hardware
- Glass & Hardware - Back
- Glove Box
- Grille & Components
- Heat & Sound Insulators
- Hinge Pillar
- Hood & Components
- Horns
- Inner Structure
- Instrument Panel
- Instrument Panel Components
- Interior Trim - Pillars
- Interior Trim - Quarter Panels
- Interior Trim - Rear Body
- Interior Trim - Roof
- Labels
- Lid & Components
- Lock & Hardware
- Master Cylinder - Components On Dash Panel
- Outside Mirrors
- Partitions & Seals
- Quarter Panel & Components
- Quarter Window
- RADIATOR SUPPORT
- Rear Body
- Rear Console
- Rear Door
- Rear Floor & Rails
- Reveal Moldings
- Rocker Panel
- Roof & Components
- Sound System
- Structural Components & Rails
- Sunroof
- Tracks & Components
- Trunk
- Trunk Floor
- Trunk Lid & Compartment
- Universal
- Vacuum Controlled Components
- Wiper & Washer Components
- ABS Components
- Air Bag Components
- Air Bag System
- Alternator
- Alternator/Generator & Related Components
- Antenna & Radio
- Anti-Theft Components
- Anti-Theft System
- Battery
- Battery & Related Components
- BULBS - CHASSIS
- Distributor
- Door
- Electrical Components
- Flasher Units, Fuses, & Circuit Breakers
- Flashers
- Fog Lamps
- Front Door
- Front Seat Belts
- Glass, Windows & Related Components
- Headlamp Components
- Headlamp Washers/Wipers
- Heated Seats
- High Mounted Stop Lamp
- Horn
- Ignition Lock
- Ignition System
- License Lamps
- Lighting - Exterior
- Lighting - Interior
- Mirrors
- Park & Side Marker Lamps
- Power Seats
- Powertrain Control
- Rear Door
- Rear Seat Belts
- Ride Control Components
- Senders
- Starter
- Starter & Related Components
- Sunroof
- Switches
- Switches, Solenoids & Actuators
- Tail Lamps
- Trunk
- Voltage Regulator
- Washer Components
- Window Defroster
- Wipers
- A/C Accumulator/Receiver Drier
- A/C Clutch & Compressor
- A/C Condenser & Evaporator
- A/C Flow Restrictors
- Automatic Temperature Controls
- Blower Motor & Fan
- Condenser, Compressor & Lines
- Controls
- Evaporator & Heater Components
- Filters
- Hardware, Fasteners & Fittings
- Heater
- Hoses & Pipes
- Motors, Core, Case & Related Components
- Switches, Solenoids & Actuators
- Temperature Controls & Related Components
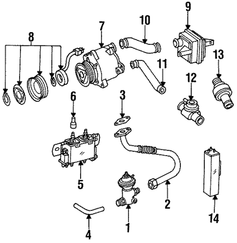
No.
Part # / Description / Price
Price
1
MSRP $404.00
$278.30
2
MSRP $332.00
$228.85
2
MSRP $330.00
$227.70
5
7
A.I.R Pump
Mercedes-Benz
Mercedes-Benz Description: Without electric a.i.r pump, gas engine, 600sel, s600. Cl600, s600, cl55, s55. Sl600.
MSRP $2,940.00
$2,006.40
MSRP $2,940.00
$2,006.40
8
Secondary Air Injection Pump Pulley
Mercedes-Benz
Mercedes-Benz Description: 600. Without electric a.i.r pump, 400 & 500 series.
MSRP $436.00
$300.15
MSRP $436.00
$300.15
9
Air Cleaner
Mercedes-Benz
Mercedes-Benz Description: 600, air pump. Without electric a.i.r pump, 600.
MSRP $58.00
$39.00
MSRP $58.00
$39.00
10
MSRP $15.00
$10.56
11
MSRP $17.50
$12.60
12
Shut-Off Valve
Mercedes-Benz
Mercedes-Benz Description: Shut off. Without electric a.i.r pump. 500, 1993-95. 600.
MSRP $75.00
$54.00
MSRP $75.00
$54.00
14
Vapor Canister
Mercedes-Benz
Mercedes-Benz Description: All others. All models. Activated charcoal filter. 400se, 400sel, s420. Sl320. Sl500. Sl600. Activated charcoal filter. 300se 3.2l. 500, 1993-95.