Engine & Trans Mounting for 1993 Mercedes-Benz 600SL
Vehicle
1993 Mercedes-Benz 600SL
Change Vehicle
- Brackets, Flanges & Hangers
- Bumper
- Bumper & Components - Front
- Bumper & Components - Rear
- Bushings
- Center Console
- CLUSTER & SWITCHES
- Console
- Control Cables
- Control Modules
- Cover & Components
- Cowl
- Dashboard
- Door
- Door & Components
- Doors
- Exterior Trim - Door
- Exterior Trim - Fender
- Exterior Trim - Pillars
- Exterior Trim - Quarter Panel
- Exterior Trim - Trunk
- Fender & Components
- Fenders
- Floor
- Floor & Rails
- Frame
- Frame & Components
- Front Seat Components
- Gaskets & Sealing Systems
- Glass - Door
- Glass - Front Door
- Glass - Rear Door
- Glass - Windshield
- Glass & Hardware
- Glass, Windows & Related Components
- Glove Box
- Grille
- Grille & Components
- Hardware, Fasteners & Fittings
- Hinge Pillar
- Hood
- Hood & Components
- Horns
- Information Labels
- Inner Structure
- Instrument Panel
- Interior Trim
- Interior Trim - Convertible Top
- Interior Trim - Door
- Interior Trim - Front Door
- Interior Trim - Pillars
- Interior Trim - Rear Body
- INTERIOR TRIM - REAR DOOR
- Interior Trim - Roof
- Interior Trim - Top
- INTERIOR TRIM - TRUNK
- Labels
- Lid & Components
- Lock & Hardware
- Master Cylinder - Components On Dash Panel
- Mirrors
- Motor & Components
- Outside Mirrors
- Quarter Panel
- Quarter Panel & Components
- Radiator Support
- Rear Body
- Rear Floor & Rails
- Rocker Panel
- Roll Bar
- Roof
- Seats
- Side Pillar
- Sound System
- Steering Wheel
- Stowage Compartment
- Structural Components & Rails
- Switches, Solenoids & Actuators
- Top & Components
- Top Well Components
- Tracks & Components
- Trunk
- Trunk Lid & Compartment
- Universal
- Windshield Header & Components
- Wiper & Washer Components
- ABS Components
- Air Bag Components
- Air Bag System
- Alternator
- Alternator/Generator & Related Components
- Antenna & Radio
- Anti-Theft Components
- Anti-Theft System
- Battery
- Battery & Related Components
- Brackets, Flanges & Hangers
- Bulbs - Chassis
- Control Modules
- Convertible Top
- Cruise Control System
- Distributor
- Door
- Electrical Components
- Electrical Connectors
- Electrical Sockets
- Flasher Units, Fuses, & Circuit Breakers
- Flashers
- Fog Lamps
- Front Seat Belts
- Gaskets & Sealing Systems
- Gauges
- Glass, Windows & Related Components
- Hardware, Fasteners & Fittings
- Headlamp Components
- Headlamp Washers/Wipers
- Heated Seats
- High Mounted Stop Lamp
- Horn
- Ignition Lock
- Ignition System
- Instruments & Gauges
- License Lamps
- Lighting - Exterior
- Lighting - Interior
- Mirrors
- Mobile Multi-Media
- Power Outlets
- Power Seats
- Powertrain Control
- Ride Control Components
- Roll Bar Components
- Senders
- Sensors
- SIDE MARKER LAMPS
- Starter
- Starter & Related Components
- Steering Wheel
- Switches
- Switches, Solenoids & Actuators
- Tail Lamps
- Voltage Regulator
- Washer Components
- Window Defroster
- Wipers
- A/C Accumulator/Receiver Drier
- A/C Clutch & Compressor
- A/C Condenser & Evaporator
- A/C Flow Restrictors
- Automatic Temperature Controls
- Blower Motor & Fan
- Brackets, Flanges & Hangers
- Condenser Fan
- Condenser, Compressor & Lines
- Control Modules
- Controls
- Evaporator & Heater Components
- Filters
- Heater
- Hoses & Pipes
- Motors, Core, Case & Related Components
- Sensors
- Switches & Sensors
- Switches, Solenoids & Actuators
- Temperature Controls & Related Components
- Bearings
- Brackets, Flanges & Hangers
- Bushings
- Gaskets & Sealing Systems
- Hardware, Fasteners & Fittings
- Motors
- P/S Pump & Hoses
- Power Steering Hoses, Pumps, & Related Components
- Pump & Hoses
- Steering Column
- Steering Column Assembly
- Steering Gear & Linkage
- Steering Wheel
- Steering Wheel & Trim
- Steering, Gear & Related Components
- Suspension, Springs & Related Components
- Switches, Solenoids & Actuators
- Alignment
- Auto Leveling Components
- Auto Lock Differential
- Axle & Differential
- Axle Components
- Brackets, Flanges & Hangers
- Bushings
- Control Modules
- Drive Axles
- Front Suspension
- Hardware, Fasteners & Fittings
- Rear Suspension
- Ride Control
- Sensors
- Shocks & Components
- Shocks & Struts
- Stabilizer Bar & Components
- Suspension Components
- Suspension, Springs & Related Components
- Switches, Solenoids & Actuators
- Torque Arm
- Valves
- Wheels
- Brackets, Flanges & Hangers
- Bumper
- Bumper & Components - Front
- Bumper & Components - Rear
- Bushings
- Center Console
- CLUSTER & SWITCHES
- Console
- Control Cables
- Control Modules
- Cover & Components
- Cowl
- Dashboard
- Door
- Door & Components
- Doors
- Exterior Trim - Door
- Exterior Trim - Fender
- Exterior Trim - Pillars
- Exterior Trim - Quarter Panel
- Exterior Trim - Trunk
- Fender & Components
- Fenders
- Floor
- Floor & Rails
- Frame
- Frame & Components
- Front Seat Components
- Gaskets & Sealing Systems
- Glass - Door
- Glass - Front Door
- Glass - Rear Door
- Glass - Windshield
- Glass & Hardware
- Glass, Windows & Related Components
- Glove Box
- Grille
- Grille & Components
- Hardware, Fasteners & Fittings
- Hinge Pillar
- Hood
- Hood & Components
- Horns
- Information Labels
- Inner Structure
- Instrument Panel
- Interior Trim
- Interior Trim - Convertible Top
- Interior Trim - Door
- Interior Trim - Front Door
- Interior Trim - Pillars
- Interior Trim - Rear Body
- INTERIOR TRIM - REAR DOOR
- Interior Trim - Roof
- Interior Trim - Top
- INTERIOR TRIM - TRUNK
- Labels
- Lid & Components
- Lock & Hardware
- Master Cylinder - Components On Dash Panel
- Mirrors
- Motor & Components
- Outside Mirrors
- Quarter Panel
- Quarter Panel & Components
- Radiator Support
- Rear Body
- Rear Floor & Rails
- Rocker Panel
- Roll Bar
- Roof
- Seats
- Side Pillar
- Sound System
- Steering Wheel
- Stowage Compartment
- Structural Components & Rails
- Switches, Solenoids & Actuators
- Top & Components
- Top Well Components
- Tracks & Components
- Trunk
- Trunk Lid & Compartment
- Universal
- Windshield Header & Components
- Wiper & Washer Components
- ABS Components
- Air Bag Components
- Air Bag System
- Alternator
- Alternator/Generator & Related Components
- Antenna & Radio
- Anti-Theft Components
- Anti-Theft System
- Battery
- Battery & Related Components
- Brackets, Flanges & Hangers
- Bulbs - Chassis
- Control Modules
- Convertible Top
- Cruise Control System
- Distributor
- Door
- Electrical Components
- Electrical Connectors
- Electrical Sockets
- Flasher Units, Fuses, & Circuit Breakers
- Flashers
- Fog Lamps
- Front Seat Belts
- Gaskets & Sealing Systems
- Gauges
- Glass, Windows & Related Components
- Hardware, Fasteners & Fittings
- Headlamp Components
- Headlamp Washers/Wipers
- Heated Seats
- High Mounted Stop Lamp
- Horn
- Ignition Lock
- Ignition System
- Instruments & Gauges
- License Lamps
- Lighting - Exterior
- Lighting - Interior
- Mirrors
- Mobile Multi-Media
- Power Outlets
- Power Seats
- Powertrain Control
- Ride Control Components
- Roll Bar Components
- Senders
- Sensors
- SIDE MARKER LAMPS
- Starter
- Starter & Related Components
- Steering Wheel
- Switches
- Switches, Solenoids & Actuators
- Tail Lamps
- Voltage Regulator
- Washer Components
- Window Defroster
- Wipers
- A/C Accumulator/Receiver Drier
- A/C Clutch & Compressor
- A/C Condenser & Evaporator
- A/C Flow Restrictors
- Automatic Temperature Controls
- Blower Motor & Fan
- Brackets, Flanges & Hangers
- Condenser Fan
- Condenser, Compressor & Lines
- Control Modules
- Controls
- Evaporator & Heater Components
- Filters
- Heater
- Hoses & Pipes
- Motors, Core, Case & Related Components
- Sensors
- Switches & Sensors
- Switches, Solenoids & Actuators
- Temperature Controls & Related Components
- Bearings
- Brackets, Flanges & Hangers
- Bushings
- Gaskets & Sealing Systems
- Hardware, Fasteners & Fittings
- Motors
- P/S Pump & Hoses
- Power Steering Hoses, Pumps, & Related Components
- Pump & Hoses
- Steering Column
- Steering Column Assembly
- Steering Gear & Linkage
- Steering Wheel
- Steering Wheel & Trim
- Steering, Gear & Related Components
- Suspension, Springs & Related Components
- Switches, Solenoids & Actuators
- Alignment
- Auto Leveling Components
- Auto Lock Differential
- Axle & Differential
- Axle Components
- Brackets, Flanges & Hangers
- Bushings
- Control Modules
- Drive Axles
- Front Suspension
- Hardware, Fasteners & Fittings
- Rear Suspension
- Ride Control
- Sensors
- Shocks & Components
- Shocks & Struts
- Stabilizer Bar & Components
- Suspension Components
- Suspension, Springs & Related Components
- Switches, Solenoids & Actuators
- Torque Arm
- Valves
- Wheels
Browse Categories
Select category
- Brackets, Flanges & Hangers
- Bumper
- Bumper & Components - Front
- Bumper & Components - Rear
- Bushings
- Center Console
- CLUSTER & SWITCHES
- Console
- Control Cables
- Control Modules
- Cover & Components
- Cowl
- Dashboard
- Door
- Door & Components
- Doors
- Exterior Trim - Door
- Exterior Trim - Fender
- Exterior Trim - Pillars
- Exterior Trim - Quarter Panel
- Exterior Trim - Trunk
- Fender & Components
- Fenders
- Floor
- Floor & Rails
- Frame
- Frame & Components
- Front Seat Components
- Gaskets & Sealing Systems
- Glass - Door
- Glass - Front Door
- Glass - Rear Door
- Glass - Windshield
- Glass & Hardware
- Glass, Windows & Related Components
- Glove Box
- Grille
- Grille & Components
- Hardware, Fasteners & Fittings
- Hinge Pillar
- Hood
- Hood & Components
- Horns
- Information Labels
- Inner Structure
- Instrument Panel
- Interior Trim
- Interior Trim - Convertible Top
- Interior Trim - Door
- Interior Trim - Front Door
- Interior Trim - Pillars
- Interior Trim - Rear Body
- INTERIOR TRIM - REAR DOOR
- Interior Trim - Roof
- Interior Trim - Top
- INTERIOR TRIM - TRUNK
- Labels
- Lid & Components
- Lock & Hardware
- Master Cylinder - Components On Dash Panel
- Mirrors
- Motor & Components
- Outside Mirrors
- Quarter Panel
- Quarter Panel & Components
- Radiator Support
- Rear Body
- Rear Floor & Rails
- Rocker Panel
- Roll Bar
- Roof
- Seats
- Side Pillar
- Sound System
- Steering Wheel
- Stowage Compartment
- Structural Components & Rails
- Switches, Solenoids & Actuators
- Top & Components
- Top Well Components
- Tracks & Components
- Trunk
- Trunk Lid & Compartment
- Universal
- Windshield Header & Components
- Wiper & Washer Components
- ABS Components
- Air Bag Components
- Air Bag System
- Alternator
- Alternator/Generator & Related Components
- Antenna & Radio
- Anti-Theft Components
- Anti-Theft System
- Battery
- Battery & Related Components
- Brackets, Flanges & Hangers
- Bulbs - Chassis
- Control Modules
- Convertible Top
- Cruise Control System
- Distributor
- Door
- Electrical Components
- Electrical Connectors
- Electrical Sockets
- Flasher Units, Fuses, & Circuit Breakers
- Flashers
- Fog Lamps
- Front Seat Belts
- Gaskets & Sealing Systems
- Gauges
- Glass, Windows & Related Components
- Hardware, Fasteners & Fittings
- Headlamp Components
- Headlamp Washers/Wipers
- Heated Seats
- High Mounted Stop Lamp
- Horn
- Ignition Lock
- Ignition System
- Instruments & Gauges
- License Lamps
- Lighting - Exterior
- Lighting - Interior
- Mirrors
- Mobile Multi-Media
- Power Outlets
- Power Seats
- Powertrain Control
- Ride Control Components
- Roll Bar Components
- Senders
- Sensors
- SIDE MARKER LAMPS
- Starter
- Starter & Related Components
- Steering Wheel
- Switches
- Switches, Solenoids & Actuators
- Tail Lamps
- Voltage Regulator
- Washer Components
- Window Defroster
- Wipers
- A/C Accumulator/Receiver Drier
- A/C Clutch & Compressor
- A/C Condenser & Evaporator
- A/C Flow Restrictors
- Automatic Temperature Controls
- Blower Motor & Fan
- Brackets, Flanges & Hangers
- Condenser Fan
- Condenser, Compressor & Lines
- Control Modules
- Controls
- Evaporator & Heater Components
- Filters
- Heater
- Hoses & Pipes
- Motors, Core, Case & Related Components
- Sensors
- Switches & Sensors
- Switches, Solenoids & Actuators
- Temperature Controls & Related Components
- Bearings
- Brackets, Flanges & Hangers
- Bushings
- Gaskets & Sealing Systems
- Hardware, Fasteners & Fittings
- Motors
- P/S Pump & Hoses
- Power Steering Hoses, Pumps, & Related Components
- Pump & Hoses
- Steering Column
- Steering Column Assembly
- Steering Gear & Linkage
- Steering Wheel
- Steering Wheel & Trim
- Steering, Gear & Related Components
- Suspension, Springs & Related Components
- Switches, Solenoids & Actuators
- Alignment
- Auto Leveling Components
- Auto Lock Differential
- Axle & Differential
- Axle Components
- Brackets, Flanges & Hangers
- Bushings
- Control Modules
- Drive Axles
- Front Suspension
- Hardware, Fasteners & Fittings
- Rear Suspension
- Ride Control
- Sensors
- Shocks & Components
- Shocks & Struts
- Stabilizer Bar & Components
- Suspension Components
- Suspension, Springs & Related Components
- Switches, Solenoids & Actuators
- Torque Arm
- Valves
- Wheels
- Brackets, Flanges & Hangers
- Bumper
- Bumper & Components - Front
- Bumper & Components - Rear
- Bushings
- Center Console
- CLUSTER & SWITCHES
- Console
- Control Cables
- Control Modules
- Cover & Components
- Cowl
- Dashboard
- Door
- Door & Components
- Doors
- Exterior Trim - Door
- Exterior Trim - Fender
- Exterior Trim - Pillars
- Exterior Trim - Quarter Panel
- Exterior Trim - Trunk
- Fender & Components
- Fenders
- Floor
- Floor & Rails
- Frame
- Frame & Components
- Front Seat Components
- Gaskets & Sealing Systems
- Glass - Door
- Glass - Front Door
- Glass - Rear Door
- Glass - Windshield
- Glass & Hardware
- Glass, Windows & Related Components
- Glove Box
- Grille
- Grille & Components
- Hardware, Fasteners & Fittings
- Hinge Pillar
- Hood
- Hood & Components
- Horns
- Information Labels
- Inner Structure
- Instrument Panel
- Interior Trim
- Interior Trim - Convertible Top
- Interior Trim - Door
- Interior Trim - Front Door
- Interior Trim - Pillars
- Interior Trim - Rear Body
- INTERIOR TRIM - REAR DOOR
- Interior Trim - Roof
- Interior Trim - Top
- INTERIOR TRIM - TRUNK
- Labels
- Lid & Components
- Lock & Hardware
- Master Cylinder - Components On Dash Panel
- Mirrors
- Motor & Components
- Outside Mirrors
- Quarter Panel
- Quarter Panel & Components
- Radiator Support
- Rear Body
- Rear Floor & Rails
- Rocker Panel
- Roll Bar
- Roof
- Seats
- Side Pillar
- Sound System
- Steering Wheel
- Stowage Compartment
- Structural Components & Rails
- Switches, Solenoids & Actuators
- Top & Components
- Top Well Components
- Tracks & Components
- Trunk
- Trunk Lid & Compartment
- Universal
- Windshield Header & Components
- Wiper & Washer Components
- ABS Components
- Air Bag Components
- Air Bag System
- Alternator
- Alternator/Generator & Related Components
- Antenna & Radio
- Anti-Theft Components
- Anti-Theft System
- Battery
- Battery & Related Components
- Brackets, Flanges & Hangers
- Bulbs - Chassis
- Control Modules
- Convertible Top
- Cruise Control System
- Distributor
- Door
- Electrical Components
- Electrical Connectors
- Electrical Sockets
- Flasher Units, Fuses, & Circuit Breakers
- Flashers
- Fog Lamps
- Front Seat Belts
- Gaskets & Sealing Systems
- Gauges
- Glass, Windows & Related Components
- Hardware, Fasteners & Fittings
- Headlamp Components
- Headlamp Washers/Wipers
- Heated Seats
- High Mounted Stop Lamp
- Horn
- Ignition Lock
- Ignition System
- Instruments & Gauges
- License Lamps
- Lighting - Exterior
- Lighting - Interior
- Mirrors
- Mobile Multi-Media
- Power Outlets
- Power Seats
- Powertrain Control
- Ride Control Components
- Roll Bar Components
- Senders
- Sensors
- SIDE MARKER LAMPS
- Starter
- Starter & Related Components
- Steering Wheel
- Switches
- Switches, Solenoids & Actuators
- Tail Lamps
- Voltage Regulator
- Washer Components
- Window Defroster
- Wipers
- A/C Accumulator/Receiver Drier
- A/C Clutch & Compressor
- A/C Condenser & Evaporator
- A/C Flow Restrictors
- Automatic Temperature Controls
- Blower Motor & Fan
- Brackets, Flanges & Hangers
- Condenser Fan
- Condenser, Compressor & Lines
- Control Modules
- Controls
- Evaporator & Heater Components
- Filters
- Heater
- Hoses & Pipes
- Motors, Core, Case & Related Components
- Sensors
- Switches & Sensors
- Switches, Solenoids & Actuators
- Temperature Controls & Related Components
- Bearings
- Brackets, Flanges & Hangers
- Bushings
- Gaskets & Sealing Systems
- Hardware, Fasteners & Fittings
- Motors
- P/S Pump & Hoses
- Power Steering Hoses, Pumps, & Related Components
- Pump & Hoses
- Steering Column
- Steering Column Assembly
- Steering Gear & Linkage
- Steering Wheel
- Steering Wheel & Trim
- Steering, Gear & Related Components
- Suspension, Springs & Related Components
- Switches, Solenoids & Actuators
- Alignment
- Auto Leveling Components
- Auto Lock Differential
- Axle & Differential
- Axle Components
- Brackets, Flanges & Hangers
- Bushings
- Control Modules
- Drive Axles
- Front Suspension
- Hardware, Fasteners & Fittings
- Rear Suspension
- Ride Control
- Sensors
- Shocks & Components
- Shocks & Struts
- Stabilizer Bar & Components
- Suspension Components
- Suspension, Springs & Related Components
- Switches, Solenoids & Actuators
- Torque Arm
- Valves
- Wheels
No.
Part # / Description / Price
Price
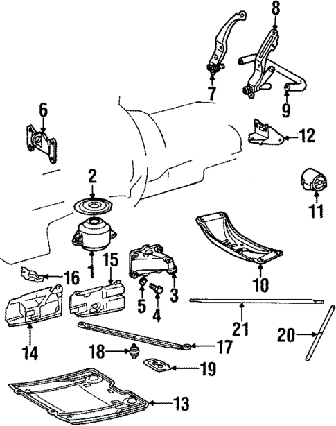
1
Motor Mount
Mercedes-Benz
Mercedes-Benz Positions: Right
Description: 600sel & s600. 600, front.
MSRP $240.00
$164.45
MSRP $240.00
$164.45
2
3
MSRP $80.00
$57.60
3
MSRP $80.00
$57.60
4
MSRP $3.50
$2.63
5
MSRP $1.50
$1.17
6
MSRP $27.50
$19.80
7
MSRP $125.00
$89.52
8
MSRP $193.00
$133.06
10
MSRP $63.00
$45.00
11
12
14
Side Cover
Mercedes-Benz
Mercedes-Benz Positions: Right
Description: 500, 1990-98. 600. 300, 320, 300, 1990-93.
MSRP $248.00
$170.20
MSRP $248.00
$170.20
15
Side Cover
Mercedes-Benz
Mercedes-Benz Positions: Left
Description: 600. 500, 1990-98. 300, 320, 300, 1990-93. 500, 1999-02.
MSRP $77.00
$55.20
MSRP $77.00
$55.20
16
Side Cover Bracket
Mercedes-Benz
Mercedes-Benz Positions: Right
Description: 500, 1990-98. 600. 300, 320, 300, 1990-93.
MSRP $37.00
$26.40
MSRP $37.00
$26.40
16
Side Cover Bracket
Mercedes-Benz
Mercedes-Benz Positions: Left
Description: 600. 500, 1990-98. 300, 320, 300, 1990-93. 500, 1999-02.
MSRP $48.50
$34.80
MSRP $48.50
$34.80
17
Cross Bar
Mercedes-Benz
Mercedes-Benz Description: 600. 500, 1990-98. 500, 1999-02. 300, 320, 300, 1990-93.
MSRP $60.00
$42.60
MSRP $60.00
$42.60
18
Insulator
Mercedes-Benz
Mercedes-Benz Description: 600. 500, 1990-98. 500, 1999-02. 300, 320, 300, 1990-93.
MSRP $6.50
$4.88
MSRP $6.50
$4.88
19
Cross Bar Cover Plate
Mercedes-Benz
Mercedes-Benz Description: 600. 500, 1990-98. 500, 1999-02. 300, 320, 300, 1990-93.
MSRP $47.00
$33.60
MSRP $47.00
$33.60
20
Strut Bar
Mercedes-Benz
Mercedes-Benz Positions: Right
Description: 600. 500, 1990-98. 300, 320, 300, 1990-93. 500, 1999-02.
MSRP $56.00
$40.20
MSRP $56.00
$40.20
21
Strut Bar
Mercedes-Benz
Mercedes-Benz Positions: Left
Description: 600. 500, 1990-98. 300, 320, 300, 1990-93. 500, 1999-02.